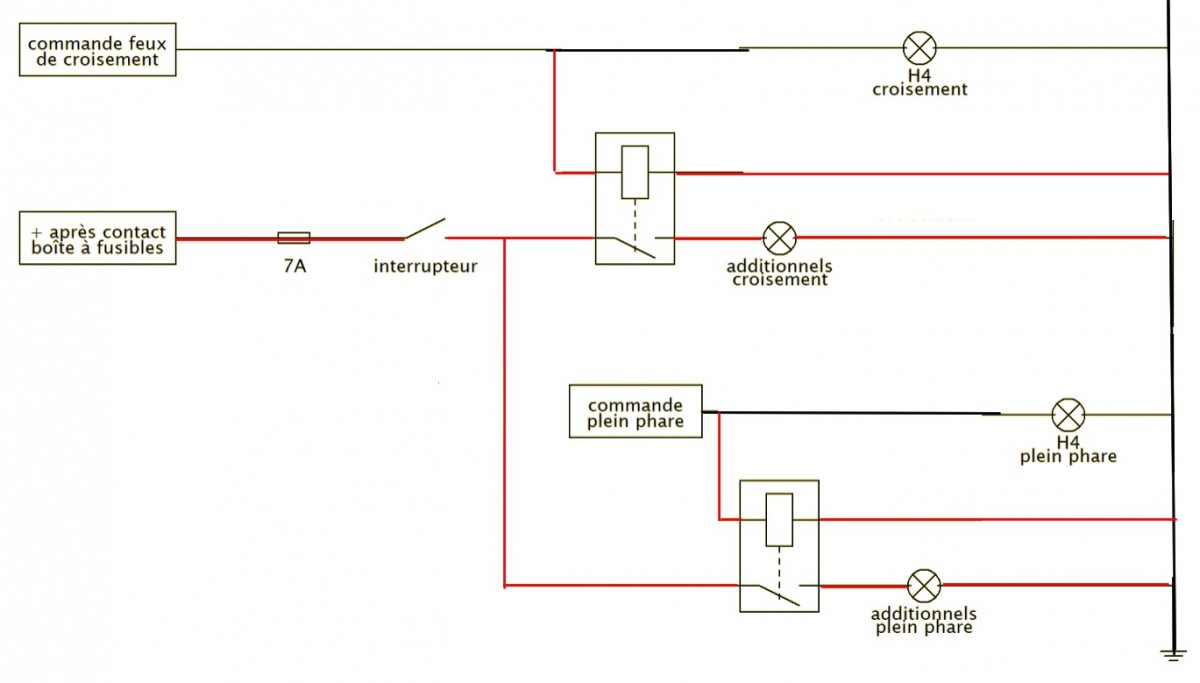
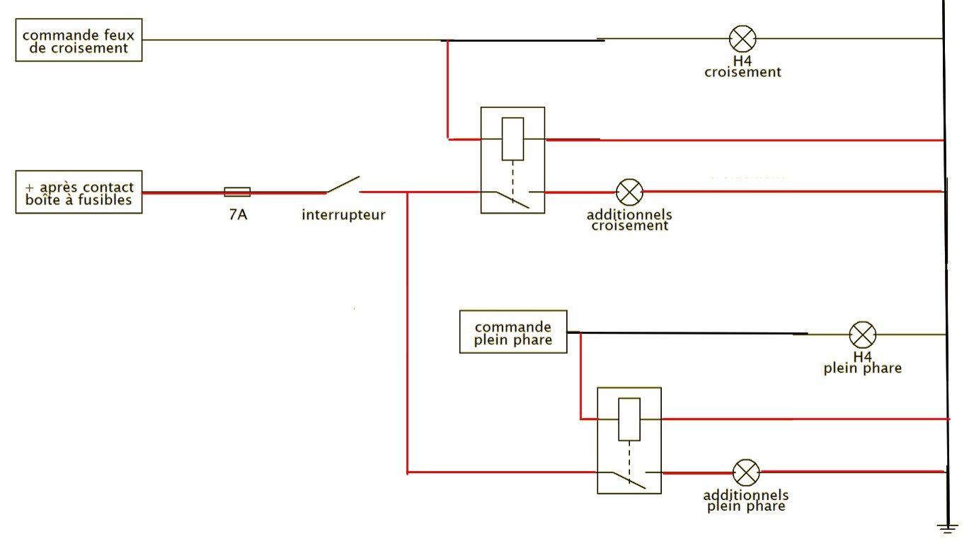
J'ai acheté pour ma T@ 600 de 1999 des feux additionnels qui font à la fois croisements et pleins phares (ceux-là pour être précis).
Je voudrais les câbler pour qu'ils fonctionnent comme le projecteur principal, et également que je puisse les couper avec un autre interrupteur (dans ce style, pour être précis).
J'ai quelques idées mais je n'y connais pas grand chose et je ne voudrais pas faire de bêtise...
J'ai pensé à repiquer les + des additionnels directement sur le faisceau du phare, et monter l'interrupteur sur la masse des additionnels, mais ça me semble trop simple pour ne pas être bancal.
Je suppose donc qu'il va falloir installer un relais, et j'aimerais aussi trouver un moyen d'utiliser un emplacement libre dans la boite à fusible pour protéger l'installation, mais mes compétences s'arrêtent là...
Est-ce que quelqu'un a déjà fait un montage qui ressemblerait à ça ?
J'ai cherché mais je n'ai pas trouvé (ou pas compris) la réponse à mes questions...
Merci d'avance pour votre aide !
Pour la moto ou le pilote: Toi aussi, soutiens ton concessionnaire favoris. Dépense tes sioux!




