CDI IGNITECH OCCASION

Image De la batterie, aux ampoules, en passant par les CDI, le régulateur, etc.
Règles du forum
Toi qui cherches l’origine d'un problème, d'une panne, le site ou l'astuce pour un accessoire ou une pièce qui va bien, avant de poser une question sans doute déjà écrite sur le forum (depuis 12 ans!), tu as à ta disposition 3 outils avant de risquer d'enfoncer des portes ouvertes:
- La fonction Rechercher (et Recherche avancée): search.php
- La FàQ où se trouvent les problèmes les plus fréquents: viewtopic.php?f=20&t=11585
- Le WikiTransalp qui recense toutes les infos essentielles et les tutoriels mécaniques: viewtopic.php?f=1&t=27577&hilit=wiki#p549058
babouk77
Pilier du bar
Pilier du bar
Messages : 83
Enregistré le : 12 mars 2025, 22:17
Localisation : RD10
Département : 45 Loiret
Been thanked : 1 time

CDI IGNITECH OCCASION

Message par babouk77 »

Bonjour a tous.
J'avais du mal à régler mes carbus .a chaud la redescente de régime était trop lente a mon gout .je les ai passés aux ultrasons. Et la surprise les pipes d'admission de petit diamètre... CDI berf 34 CV 🤢
J'ai trouvé quelqu'un qui vend un TICP4 prévu pour un GSXR . Pensez vous que appart la prise pour le plug and play on peut y mettre les courbes de ma transalp 650 ? Quelqu'un a déjà fait un backup ?
Merci de votre aide

Avatar du membre
TiTi
Grand sachem
Grand sachem
Messages : 40026
Enregistré le : 25 sept. 2005, 18:17
Localisation : Frontignan (34110) - @T96 etc.
Been thanked : 38 times

Re: CDI IGNITECH OCCASION

Message par TiTi »

Il te faudra le faisceau intermédiaire.

Avatar du membre
TiTi
Grand sachem
Grand sachem
Messages : 40026
Enregistré le : 25 sept. 2005, 18:17
Localisation : Frontignan (34110) - @T96 etc.
Been thanked : 38 times

Re: CDI IGNITECH OCCASION

Message par TiTi »

Et le câble rs232/USB pour la programmation.

babouk77
Pilier du bar
Pilier du bar
Messages : 83
Enregistré le : 12 mars 2025, 22:17
Localisation : RD10
Département : 45 Loiret
Been thanked : 1 time

Re: CDI IGNITECH OCCASION

Message par babouk77 »

Oh que de bonnes nouvelles vous m’apportez . Merci . Et pour les courbes correspondant à mon moteur ? Juste à recopier dans l’interface logicielle ? Ou faut un dump comme pour les voiture ?

Avatar du membre
TiTi
Grand sachem
Grand sachem
Messages : 40026
Enregistré le : 25 sept. 2005, 18:17
Localisation : Frontignan (34110) - @T96 etc.
Been thanked : 38 times

Re: CDI IGNITECH OCCASION

Message par TiTi »

Quelques manip mais juste le logiciel et le fichier.

Avatar du membre
Philartis
Grand Pignon
Grand Pignon
Messages : 258
Enregistré le : 26 mars 2025, 11:57
Localisation : Blaye. Moto Hornet 750
Département : 33 Gironde
Has thanked : 1 time
Been thanked : 4 times
Contact :

Re: CDI IGNITECH OCCASION

Message par Philartis »

Si jamais tu te lances et qu'elle n'est pas fournie avec le boitier d'occasion, je peux te donner la prise qui se branche sur le boitier Ignitech, babouk77.
.. et d'ailleurs même si elle est fournie, c'est peut-être pas mal de pouvoir faire un câblage propre à partir d'une prise neuve.
Roulez prudemment mais amusez-vous !
Il faut toujours terminer ce que l'on a co

https://hornet750.com/forum

babouk77
Pilier du bar
Pilier du bar
Messages : 83
Enregistré le : 12 mars 2025, 22:17
Localisation : RD10
Département : 45 Loiret
Been thanked : 1 time

Re: CDI IGNITECH OCCASION

Message par babouk77 »

Je suis ok pour le 232/usb et je suis ok aussi si Philartis veut bien me donner sa prise alors c'est royal ! Je lui prend le boîtier ce matin même 😉
Je reviendrai vers vous dès que je serais prêt .
Et j'oublie pas la présentation de la moto . Je prepare mon sujet 🤭
Fichiers joints
IMG_20250401_073957.jpg

Avatar du membre
Philartis
Grand Pignon
Grand Pignon
Messages : 258
Enregistré le : 26 mars 2025, 11:57
Localisation : Blaye. Moto Hornet 750
Département : 33 Gironde
Has thanked : 1 time
Been thanked : 4 times
Contact :

Re: CDI IGNITECH OCCASION

Message par Philartis »

C'est quoi ce collier plastique noir qui passe entre le câble et la prise ?
Il n'a pas été ouvert ce boitier au moins, tu es bien sûr ? (je ne pense pas, mais faut mieux être certain)
Roulez prudemment mais amusez-vous !
Il faut toujours terminer ce que l'on a co

https://hornet750.com/forum

Avatar du membre
Philartis
Grand Pignon
Grand Pignon
Messages : 258
Enregistré le : 26 mars 2025, 11:57
Localisation : Blaye. Moto Hornet 750
Département : 33 Gironde
Has thanked : 1 time
Been thanked : 4 times
Contact :

Re: CDI IGNITECH OCCASION

Message par Philartis »

20250401_201301.jpg
Roulez prudemment mais amusez-vous !
Il faut toujours terminer ce que l'on a co

https://hornet750.com/forum

babouk77
Pilier du bar
Pilier du bar
Messages : 83
Enregistré le : 12 mars 2025, 22:17
Localisation : RD10
Département : 45 Loiret
Been thanked : 1 time

Re: CDI IGNITECH OCCASION

Message par babouk77 »

:-D Quelle belle prise !
Et pour le boîtier il a servi que deux fois et même pas sur une moto . J’ai bien discuté avec la personne .je ne pense pas qu’il ai été ouvert.

babouk77
Pilier du bar
Pilier du bar
Messages : 83
Enregistré le : 12 mars 2025, 22:17
Localisation : RD10
Département : 45 Loiret
Been thanked : 1 time

Re: CDI IGNITECH OCCASION

Message par babouk77 »

Hello les gars , j’ai bien reçu le boîtier et je souhaiterais savoir si l’un de vous pourrais me faire des snapshoot de la config logiciel pour la 650 car mon boîtier est prévu à la base pour 4 cylindres. TCI-P4 (tous les onglets )
et il faut que je me fabrique une prise pour le connecter sur mon faisseau
Merci d’avance

Avatar du membre
TiTi
Grand sachem
Grand sachem
Messages : 40026
Enregistré le : 25 sept. 2005, 18:17
Localisation : Frontignan (34110) - @T96 etc.
Been thanked : 38 times

Re: CDI IGNITECH OCCASION

Message par TiTi »

Fichier à nommer en .ign

Code : Tout sélectionner

IGNITECH_KEY   88 TCIP4/TCIP4


BIKE           22 
                3     9     2 
                2     1     0 
                4     1     0 
                7     1     0 
                9     1     0 
                1     0     0 
                1     0     0 
                1     0     0 
                1     0     0 
            
                0    11    11    11    11 
CORR_ADVANCE    0     0     0     0 
GEBER_MODE      1 
INPUT           2     2     2     0     1 
PICKUPS_INTERCHANGE         0 
NO_LOBE_CHECK         0 
INTERLOCK_INPUT       0 
SPARK_BEFORE_LOBE     0 
SPECIAL_START         0 
SPECIAL_DWELL_START         0 
BASE_ADV        5 
LIMITER        94 
START_LIM     100 
CLUTCH        100   500 

TPS           500  3800 
RETARD          6 
RPM             3     0 
DWELL            3    30   100    12    60     9 
DUR_DISCHARG    20 
ADV_MAPA        0 
TPSIAP_SENSOR    1 
SERVO_MAPA      0 
ADV_IAP        30    50    60    70    75    80    85    90    95   100 
SERVO_IAP      30    50    60    70    75    80    85    90    95   100 
IAP_SENSOR     55  2305   105  3756 

RPM_ADV      1500  2000  3000  4000  5000  6000  7000  8000  9000 10000 

ADVANCE         5    11    16    25    28    32    33    33    33    33 
                5    14    22    31    33    35    35    35    35    35 
                5    22    35    44    45    45    43    41    41    41 
                5    17    32    39    45    47    46    43    43    43 
                5    15    25    30    35    35    35    35    35    35 
                5    14    25    30    34    34    34    34    34    34 
                5    13    25    30    34    34    34    34    34    34 
                5    12    24    30    34    34    34    34    34    34 
                5    11    22    29    33    33    33    33    33    33 
                5    10    20    28    32    32    32    32    32    32 
            
SERVO_ENABLE    0 
SERVO_PERCENT    0 
SERVO_HYSTER    0 
SERVO_NO        0 
SERVO_RPM    1200  2000  3000  4000  6000  8000 10000 12000 14000 16000 
SERVO_MV     2000  2100  2200  2300  2400  2500  2600  2700  2800  2900 
             2000  2100  2200  2300  2400  2500  2600  2700  2800  2900 
             2000  2100  2200  2300  2400  2500  2600  2700  2800  2900 
             2000  2100  2200  2300  2400  2500  2600  2700  2800  2900 
             2000  2100  2200  2300  2400  2500  2600  2700  2800  2900 
             2000  2100  2200  2300  2400  2500  2600  2700  2800  2900 
             2000  2100  2200  2300  2400  2500  2600  2700  2800  2900 
             2000  2100  2200  2300  2400  2500  2600  2700  2800  2900 
             2000  2100  2200  2300  2400  2500  2600  2700  2800  2900 
             2000  2100  2200  2300  2400  2500  2600  2700  2800  2900 
            
POWER_OUT1      1 
             4000 12500 14000   100 
               75    90 
                0     0     0     0 
                0     0     0     0 
                0     1     0     0 
POWER_OUT2      2 
             5000 12500 14000   100 
               75    90 
                0     1     1     1 
                0     1     1     1 
                0     1     1     1 

TEST_OUT       139    10 
NO_READING      0
VERSIONS
HEX  D  -   U
EXE  Dec  3 2013   11:33:47

Mon_Calib_Coef  

babouk77
Pilier du bar
Pilier du bar
Messages : 83
Enregistré le : 12 mars 2025, 22:17
Localisation : RD10
Département : 45 Loiret
Been thanked : 1 time

Re: CDI IGNITECH OCCASION

Message par babouk77 »

Super !!! Merci beaucoup

Avatar du membre
TiTi
Grand sachem
Grand sachem
Messages : 40026
Enregistré le : 25 sept. 2005, 18:17
Localisation : Frontignan (34110) - @T96 etc.
Been thanked : 38 times

Re: CDI IGNITECH OCCASION

Message par TiTi »

Faut copier/coller dans le bloc-notes par exemple (éviter Word ou autre) et bien mettre l'extension ign.

babouk77
Pilier du bar
Pilier du bar
Messages : 83
Enregistré le : 12 mars 2025, 22:17
Localisation : RD10
Département : 45 Loiret
Been thanked : 1 time

Re: CDI IGNITECH OCCASION

Message par babouk77 »

Parfait merci encore .excellente journée à vous

Avatar du membre
Philartis
Grand Pignon
Grand Pignon
Messages : 258
Enregistré le : 26 mars 2025, 11:57
Localisation : Blaye. Moto Hornet 750
Département : 33 Gironde
Has thanked : 1 time
Been thanked : 4 times
Contact :

Re: CDI IGNITECH OCCASION

Message par Philartis »

babouk77 a écrit :
13 avr. 2025, 14:15
et il faut que je me fabrique une prise pour le connecter sur mon faisseau
Mais tu ne veux pas que je t'envoie ma prise ?
Bon, je ne serai de retour chez moi que dans une quinzaine de jours..
Roulez prudemment mais amusez-vous !
Il faut toujours terminer ce que l'on a co

https://hornet750.com/forum

Avatar du membre
TiTi
Grand sachem
Grand sachem
Messages : 40026
Enregistré le : 25 sept. 2005, 18:17
Localisation : Frontignan (34110) - @T96 etc.
Been thanked : 38 times

Re: CDI IGNITECH OCCASION

Message par TiTi »

Peut-être une solution... J'ai des vieux faisceaux. Faut que je vois si la prise est intacte ?

babouk77
Pilier du bar
Pilier du bar
Messages : 83
Enregistré le : 12 mars 2025, 22:17
Localisation : RD10
Département : 45 Loiret
Been thanked : 1 time

Re: CDI IGNITECH OCCASION

Message par babouk77 »

Pas de panique les gars , déjà merci pour vos propositions! J’ai acheté sur lbc un cdi avec la même prise côté cdi que le mien et j’ai la fameuse prise que Philartis me propose . Il y a des fils dessus qui font presque 1m . Je vais juste dessouder celle du cdi que je vais recevoir et faire mon branchement . Ne vous en faites pas je reviendrai vers vous avec des news de mon projet avec photos

babouk77
Pilier du bar
Pilier du bar
Messages : 83
Enregistré le : 12 mars 2025, 22:17
Localisation : RD10
Département : 45 Loiret
Been thanked : 1 time

Re: CDI IGNITECH OCCASION

Message par babouk77 »

Salut les mecs . Je m’y remets un peu . J’ai acheté un cdi de cb500 pour choper la prise mâle histoire de me faire un adaptateur faisceau . Oui je suis un psychopathe,j’aime pas modifier les faisceaux car je veux avoir la possibilité de remettre d’origine quand je veux .
Maintenant est ce quelqu’un a le Pinout du cdi d’origine ? Please \o/
Fichiers joints
IMG_0476.jpeg

babouk77
Pilier du bar
Pilier du bar
Messages : 83
Enregistré le : 12 mars 2025, 22:17
Localisation : RD10
Département : 45 Loiret
Been thanked : 1 time

Re: CDI IGNITECH OCCASION

Message par babouk77 »

Bon j’ai bien trouvé sur le fofo une belle version de mon schéma électrique .et en couleur !
Plus qu’à s’y mettre maintenant

Avatar du membre
TiTi
Grand sachem
Grand sachem
Messages : 40026
Enregistré le : 25 sept. 2005, 18:17
Localisation : Frontignan (34110) - @T96 etc.
Been thanked : 38 times

Re: CDI IGNITECH OCCASION

Message par TiTi »

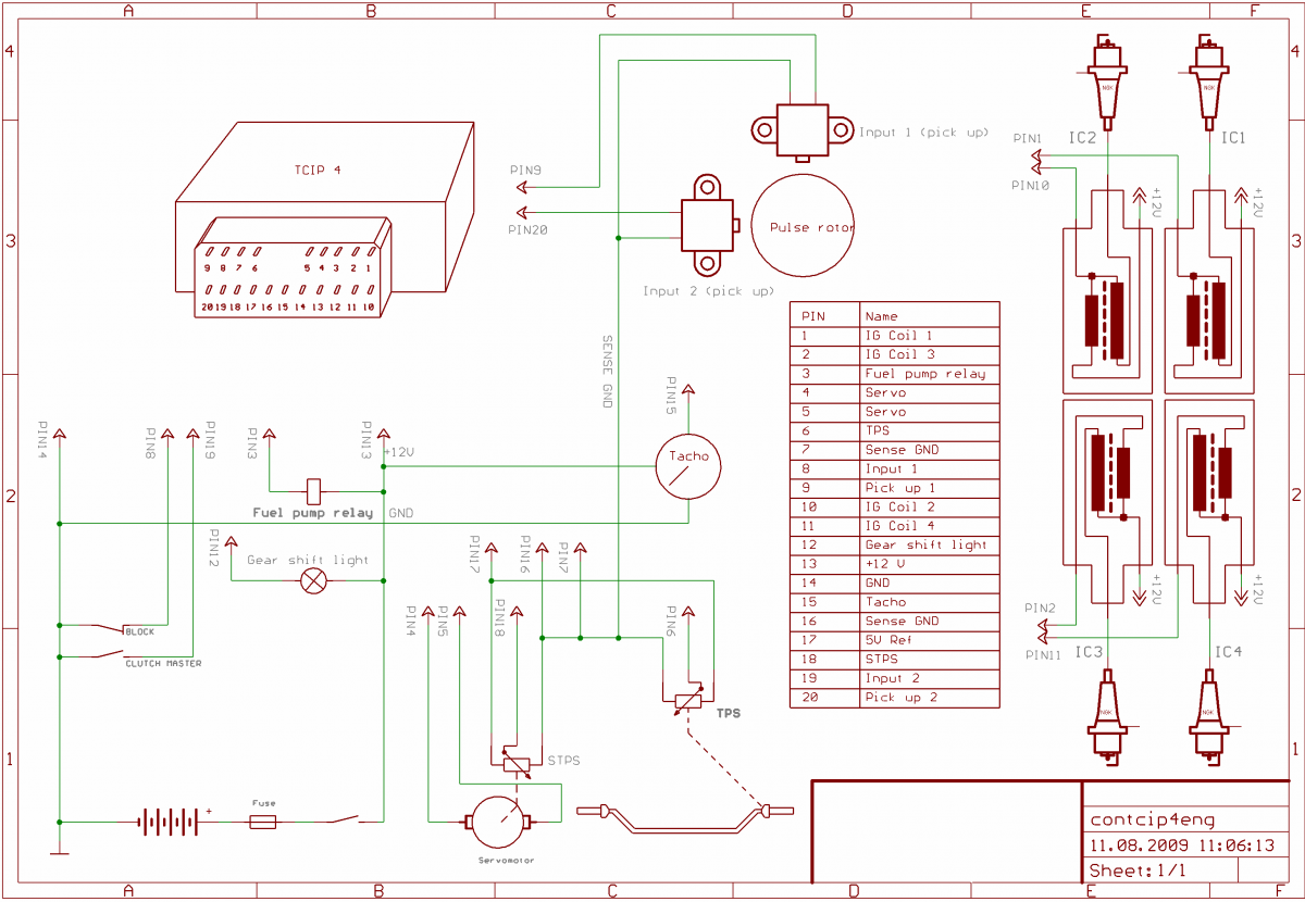
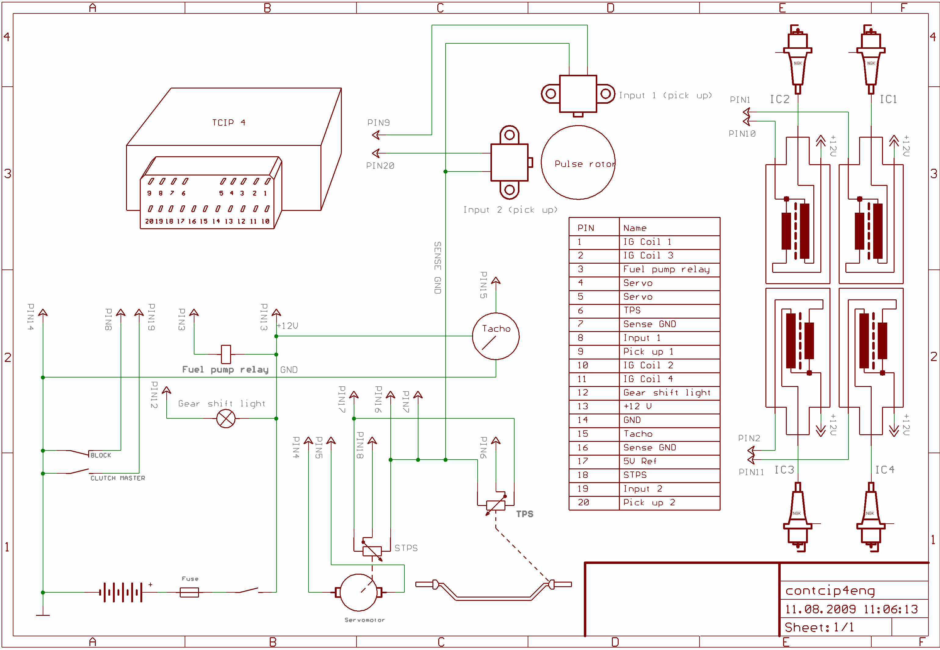
Voir schéma en page 4.

manual_sparker_tcip4_v96_en.pdf
(1.69 Mio) Téléchargé 58 fois

babouk77
Pilier du bar
Pilier du bar
Messages : 83
Enregistré le : 12 mars 2025, 22:17
Localisation : RD10
Département : 45 Loiret
Been thanked : 1 time

Re: CDI IGNITECH OCCASION

Message par babouk77 »

Pas mal tout ça ! Merci 👍☺️

Avatar du membre
TiTi
Grand sachem
Grand sachem
Messages : 40026
Enregistré le : 25 sept. 2005, 18:17
Localisation : Frontignan (34110) - @T96 etc.
Been thanked : 38 times

Re: CDI IGNITECH OCCASION

Message par TiTi »

C'est sur le site de Devmoto !

babouk77
Pilier du bar
Pilier du bar
Messages : 83
Enregistré le : 12 mars 2025, 22:17
Localisation : RD10
Département : 45 Loiret
Been thanked : 1 time

Re: CDI IGNITECH OCCASION

Message par babouk77 »

Salut la compagnie,
Voilà mon occupation de dimanche après midi . Liaison ok mais il me manque des connexions car je n’ai pas mis le tps au boîtier ni le tacho.
Le reste à suivre
Fichiers joints
IMG_0493.jpeg
IMG_0493.jpeg (126.41 Kio) Vu 3686 fois
IMG_0497.jpeg
IMG_0497.jpeg (159.3 Kio) Vu 3686 fois

Avatar du membre
TiTi
Grand sachem
Grand sachem
Messages : 40026
Enregistré le : 25 sept. 2005, 18:17
Localisation : Frontignan (34110) - @T96 etc.
Been thanked : 38 times

Re: CDI IGNITECH OCCASION

Message par TiTi »

Y'a moyen aussi (faut fouiller) de lire/programmer le boîtier avec une alim extérieure. Plus besoin de la moto (à part pour la programmation mini/maxi du TPS).

babouk77
Pilier du bar
Pilier du bar
Messages : 83
Enregistré le : 12 mars 2025, 22:17
Localisation : RD10
Département : 45 Loiret
Been thanked : 1 time

Re: CDI IGNITECH OCCASION

Message par babouk77 »

Salut . D’accord. Effectivement c’est plus pratique même si ça le fesait le pc branché à la moto … 😂

babouk77
Pilier du bar
Pilier du bar
Messages : 83
Enregistré le : 12 mars 2025, 22:17
Localisation : RD10
Département : 45 Loiret
Been thanked : 1 time

Re: CDI IGNITECH OCCASION

Message par babouk77 »

Et un grand merci à Philartis pour les pins que tu as envoyé aujourd’hui. ✌🏻

babouk77
Pilier du bar
Pilier du bar
Messages : 83
Enregistré le : 12 mars 2025, 22:17
Localisation : RD10
Département : 45 Loiret
Been thanked : 1 time

Re: CDI IGNITECH OCCASION

Message par babouk77 »

Paquet reçu 👍merci mec !
Fichiers joints
IMG_0512.jpeg

Avatar du membre
Philartis
Grand Pignon
Grand Pignon
Messages : 258
Enregistré le : 26 mars 2025, 11:57
Localisation : Blaye. Moto Hornet 750
Département : 33 Gironde
Has thanked : 1 time
Been thanked : 4 times
Contact :

Re: CDI IGNITECH OCCASION

Message par Philartis »

:-D Super
Roulez prudemment mais amusez-vous !
Il faut toujours terminer ce que l'on a co

https://hornet750.com/forum

babouk77
Pilier du bar
Pilier du bar
Messages : 83
Enregistré le : 12 mars 2025, 22:17
Localisation : RD10
Département : 45 Loiret
Been thanked : 1 time

Re: CDI IGNITECH OCCASION

Message par babouk77 »

Salut , j’aurais besoin d’un petit coup de pouce…
J’ai fini mon faisceau intermédiaire pour la prise en compte tps car je n’avais pas assez de connecteurs dans la prise fournie . Mais à la lecture avec le soft je ne vois pas la tension tps changer ( toujours entre 171mv et 175 ) .
Même en bougeant la poignée ,alors je me suis dit zut mauvais branchement.
J’ai mis le fil rouge sur le +5v sortie cdi 7
Vert sur la masse signal 16
Et le jaune sur le signal 6
J’ai même essayer de choper une tension en sortie de tps mais en supposant que mon + est bien sur le rouge …en vain
Il y a en sortie de cdi 9v (déjà je croyais que c’était 5 …
Fichiers joints
IMG_0465.jpeg
IMG_0445.png

Répondre